Larsen - Larsen
Adrian
Jens
© 2014 Larsen-Larsen.ch all rights reserved
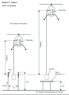
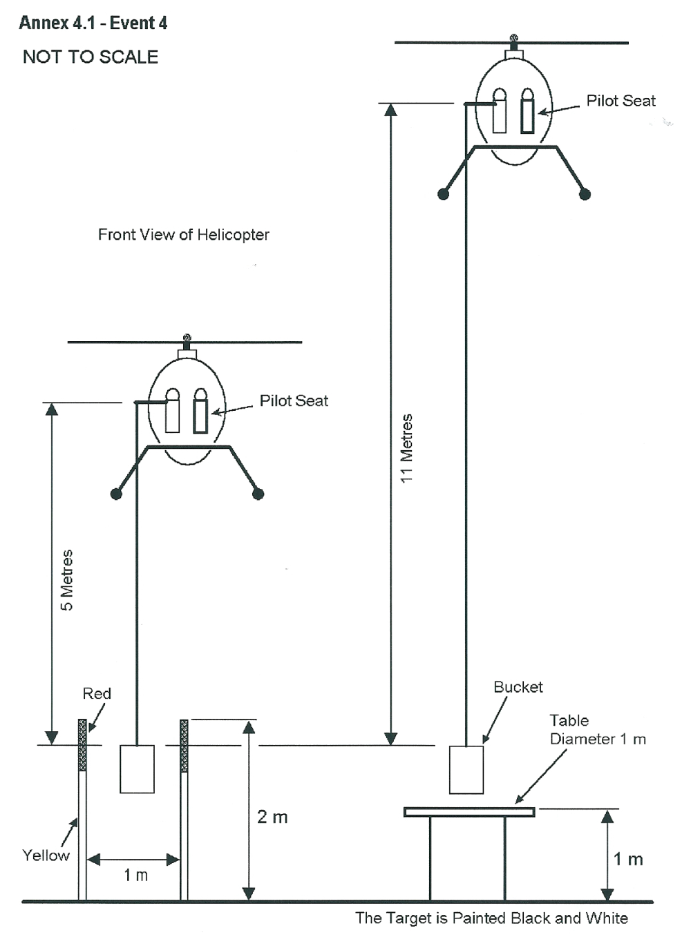
Slalom Ein an einem Seil hängender Wasserbehälter ist durch 12 Tore zu manövrieren und anschliessend punktgenau auf einem Tisch abzusetzen. Der Copilot führt an einem fünf Meter langen Seil einen 8 kg schweren, mit Wasser gefüllten Eimer. Der Eimer ist in einer vor dem Wettbewerb genau festgelegten Reihenfolge und Durchflugsrichtung durch die zwölf Tore des Parcours zu manövrieren. Die Tore bestehen aus zwei Meter hohen Stangen mit einem Abstand von einem Meter. Nachdem die 12 Tore des Parcours und das Ausflugstor passiert werden, muss der Copilot das Seil mit dem daran hängenden Eimer auf 11 Meter verlängern und auf einem Rundtisch mit einem Meter Durchmesser möglichst auf den in der Mitte aufgezeichneten Punkt absetzen. Wenn der Copilot das Seil fallen lässt, endet die mitlaufende Zeitmessung. Die Zeitvorgabe beträgt 3 Minuten und 30 Sekunden.
Home Home Helikopter Helikopter Fotobücher Fotobücher Medien Medien Partner Partner Crew Crew Wettkämpfe Wettkämpfe